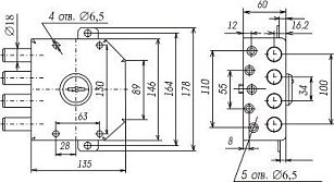
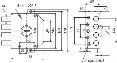
Замок накладной Сенат знс 2-5 б/о 047 тяжелый
Замок накладной сувальдный.
Предназначен для установки на металлические двери.
Засов из четырех цилиндрических ригелей диаметром 18 мм, с максимальным вылетом 40 мм.
Удаление ключевого отверстия - 64 мм.
Количество полуоборотов ключа - 4.
Габариты замка - 135х146х32,5 мм.
Защита от вскрытия замка отмычкой, защита от высверливания стойки ригеля и защита от вскрытия методом проворота.Вес:
1.86 кг
| Артикул | ЦБ000015545 |
| Базовая единица | шт |
| Бренд | Сенат |
| Материал | сталь |
| Производитель | Россия |
| Размер | 135х146х32,5 мм |
Цена и остатки товара в интернет-магазине может отличаться от фактической цены и наличия в розничных магазинах Строительного Бума. Изображения товара могут в незначительной мере отличаться от их фактического вида.

Добавить к сравнению 








